Подходит для применения в условиях высокой вибрации;
3.3V низкое энергопотребление, низкое потребление;
UART последовательный порт связи, способен обеспечивать выход синусоидального сигнала;
Совместим с контактами SA.45;
1PPS вход синхронизации и PPS выход;
TOD выход.
Основные характеристики

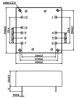
Внешняя конфигурация
Подключение контактов
Онлайн сообщение
Связанные предложения
СВЯЗАТЬСЯ С НАМИ
Пожалуйста, используйте форму ниже для связи.
Если вам нужен ответ, мы свяжемся с вами как можно скорее.