Особенности
Миниатюрный дизайн;
Сверхнизкое энергопотребление;
UART последовательный порт связи;
Совместимость с SA.45 контактами;
1PPS входная синхронизация и 1PPS выход.
Основные характеристики
Выходная частота | 10MHz |
Выходной электрический уровень | CMOS электрический уровень, 0V~Vcc, выходное сопротивление 1MΩ |
Точность частоты при отгрузке | 5E-11 |
Кратковременная стабильность | 3.0E-10/1S1.0E-10/10S3.0-11/100S |
Фазовый шум (SSB) | @10Hz | -70dBc/Hz |
@100Hz | -113dBc/Hz |
@1KHz | -128dBc/Hz |
@10KHz | -135dBc/Hz |
Дрейф частоты | ≤9E-11/месяц |
Потребление в установившемся режиме (нормальная температура, 25℃) | ≤150mW @3.3V |
Питание | 3.3V±0.1V |
Характеристики прогрева (25℃) | ≤3 мин до блокировки |
Диапазон регулировки частоты | ±2E-8 |
Функция синхронизации 1PPS входа | Низкий уровень 0V-0.3V, высокий уровень 2.3V-3.0V, входное сопротивление 1MΩ |
Точность синхронизации 1PPS входа | Низкий уровень <0.3V, высокий уровень 2.3V-3.0V, входное сопротивление 1MΩ |
Удержание | ≤5μs (разница времени удержания 24 часа после суточной синхронизации) |
Функция внешней секундной синхронизации | Точность синхронизации 1PPS лучше чем ±100ns |
Точность внешней секундной синхронизации | ≤5E-12 (разница времени удержания 24 часа после суточной синхронизации) |
Рабочая температура | -40℃~+70℃ (+80℃ опционально) |
Точность температуры | ≤1E-9 (5E-10 опционально) |
Температура хранения | -55℃~+85℃ |
MTBF | >100,000 часов |
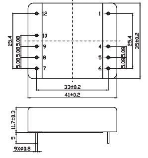
Упаковка | 12-контактный корпус DIP |
Внешние размеры | 41*35*11.7 (mm3) |
Вес | ≤35g |

Внешние размеры
Номер контакта | Название функции | Номер контакта | Название функции |
1 | NC | 7 | +3.3V |
2 | Н/Д | 8 | GND |
3 | Н/Д | 9 | 1PPS вход |
4 | Индикатор блокировки | 10 | 1PPS выход |
5 | TXD | 11 | Н/Д |
6 | RXD | 12 | 10MHZ выход |
Функции контактов